Roya 21W falba építhető WC tartály szett
Roya falba építhető wc tartály
Tartály anyaga: HDPE
Keret színe: kék
Teljes térfogata: 6-9L
Illeszkedés: fali wc-re és tömör falra
Tartozékok: szabvány szerelési tartozékok
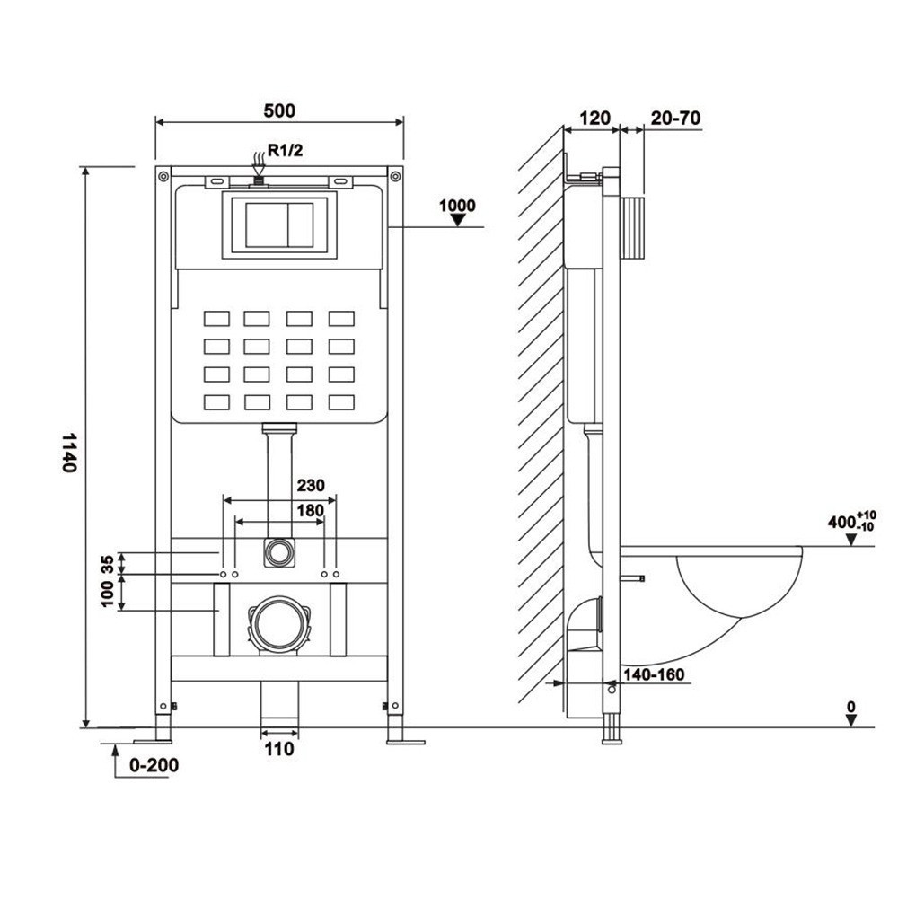
Mérete: 500 x 120 x 1140 mm
ROYA fali WC halk soft close ülőkével
Anyaga: fehér kerámia
Mérete: 350 x 400 x 540 mm
Kialakítása: perem nélküli (rimless)
Rögzítés: Fali rögzítés a szabad padlófelületért és könnyebb tisztíthatóságért
Ülőke: Ergonomikus ülőke lassan záródó fedéllel
Öblítőrendszer: Hatékony öblítőrendszer a maximális higiénia érdekében
Roya 021 fehér WC nyomólap
Anyag: ABS műanyag
Szín: fehér
Méretek: 246 x 165 mm
Kompatibilitás: Szabvány WC-tartályokkal
Funkciók:Két nyomógombos öblítésszabályozás
Fedezd fel a Roya 21W falba építhető WC tartály szettet, amely minden szempontból kiváló választás a modern fürdőszobához. Ez a tartály rendkívül megbízható és tartós, így garantáltan hosszú éveken át tökéletesen fog működni.
Roya falba építhető wc tartály
Tartály anyaga: HDPE
Keret színe: kék
Teljes térfogata: 6-9L
Illeszkedés: fali wc-re és tömör falra
Tartozékok: szabvány szerelési tartozékok
Mérete: 500 x 120 x 1140 mm
A Roya falba építhető WC tartály kiemelkedő minőségű anyagból, HDPE-ből készül, ami ellenáll a kopásnak és a korróziónak. A tartály teljes térfogata 6-9 liter, így hatékonyan használja a vizet és csökkenti a vízfogyasztást. Ez a WC tartály tökéletesen illeszkedik a fali WC-khez és tömör falakhoz, így könnyen beépíthető és stabilan tartja a WC-t. A méretei is ideálisak, 500 x 120 x 1140 mm. A roya wc csésze méretei: 350 x 400 x 540 mm.

ROYA fali WC soft close ülőkével
Anyaga: fehér kerámia
Mérete: 350 x 400 x 540 mm
Kialakítása: perem nélküli (rimless)
Rögzítés: Fali rögzítés a szabad padlófelületért és könnyebb tisztíthatóságért
Ülőke: Ergonomikus ülőke lassan záródó fedéllel
Öblítőrendszer: Hatékony öblítőrendszer a maximális higiénia érdekében
A ROYA fali WC egy elegáns és modern megoldás minden fürdőszobába. Ez a kifinomult termék kiváló teljesítményt nyújt, miközben minimalista dizájnjával és praktikus funkcióival emeli a fürdőszobád színvonalát.
A ROYA fali WC fehér kerámiából készül, amely egy rendkívül tartós és könnyen tisztítható anyag. Tökéletesen illeszkedik bármilyen fürdőszobai stílushoz, legyen az modern vagy klasszikus. A minőségi kerámia ellenáll a karcolásoknak és foltoknak, így mindig újszerű megjelenést biztosít.
A fali kialakítás előnye, hogy a padló szabadon marad, ami nemcsak esztétikus megjelenést biztosít, hanem megkönnyíti a fürdőszoba tisztítását is. A WC méretei 350 x 400 x 540 mm, ami ideális választás kisebb helyiségekbe is. A fali rögzítés stabil és biztonságos, így hosszú távon megbízható használatot garantál.
A lassan záródó (soft close) ülőke és a perem nélküli rimless technológia higiénikus és kényelmes használatot biztosít. A soft close azt jelenti, hogy a WC ülőke lassan és halkan záródik le, anélkül hogy hirtelen csapódna le. Ez a funkció amellett, hogy halk, hosszabb élettartamot is nyújt az ülőke számára.
A ROYA fali WC hatékony öblítőrendszerrel rendelkezik, amely alaposan öblíti a csészét, biztosítva a maximális higiéniát. A modern technológia és a tartós anyagok kombinációja garantálja a hosszú élettartamot és a megbízható teljesítményt.

Roya 021 fehér WC nyomólap
Anyag: ABS műanyag
Szín: fehér
Méretek: 246 x 165 mm
Kompatibilitás: Szabvány WC-tartályokkal
Funkciók:Két nyomógombos öblítésszabályozás
A Roya 021 WC nyomólap ABS műanyagból készül, amelynek tulajdonságai között szerepel a kopásállóság és a könnyű tisztíthatóság. A termék fehérszínű, illeszkedik a legtöbb fürdőszoba designjához. A szélessége 246 mm, a magassága 165 mm, ami lehetővé teszi a szabvány méretű WC-tartályokhoz való illeszkedést. Két nyomógombja van, amelyekkel az öblítővíz mennyisége szabályozható. A nyomólap telepítése egyszerű, gyorsan és könnyen elvégezhető.

A Roya 21W falba építhető WC tartály szett a funkcionalitást és az esztétikát kombinálja, így ideális választás a minőségi fürdőszobai berendezések kedvelőinek. Bízhatsz abban, hogy ez a szett hosszú távon tökéletesen fog működni, miközben stílusos és kényelmes környezetet teremt a fürdőszobádnak.
